Stopfen FLACH - mit M8 Gewinde - für Rohr 33,7 x 2 mm

Artikelnummer:
100.7000
Artikelnummer
100.7000
EAN
4060774017303
Warennummer
1001004.00008

Quick-Links und Funktionen

Herstellerinfo

Produktbeschreibung

Rohr Abschluss Stofen flach mit Rändel

Spezifikationen:

  • Material: Edelstahl V2A (1.4301)
  • massive Bauform
  • mit M8 Gewinde

Auf Grund des Rändels sitzt dieser Stopfen sehr fest im Rohr und lässt sich nur schwer wieder raus nehmen.
Die Massive Bauform ermöglicht eine höhere Belastung, wie diese z.B. für Rohrstützen benötigt wird.


Einsatzbereiche:

  • Geländerbau
  • Tisch- / Stuhlfüße
  • Regalverbinder (Erweiterbare CD-Ständer etc.)

Andere Stopfen oder Rohrabschlüsse, sowie viele weitere Artikel, finden Sie in unserem Shop.

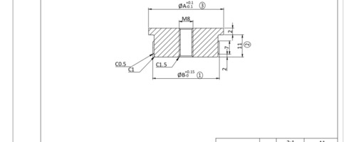
Technische Daten und Produktspezifikationen

Alle Maßangaben in mm
Material
Edelstahl
Werkstoff
1.4301
Gewinde
M8
Außendurchmesser
33,7
Rohranschluss
33,7x2
Oberfläche
drehblank
Gewindeart
Metrisches ISO-Gewinde

Dokumente, Warnhinweise und Sicherheitsinformationen

Vorschau Technische Zeichnung

Technische Zeichnung

Datenblatt/Dokument "Technische Zeichnung" zum Artikel Stopfen FLACH - mit M8 Gewinde - für Rohr 33,7 x 2 mm

Produktvideos und Montageanleitungen

Video: Edelstahl Stopfen in Rohr einschlagen Anleitung mit Schonhammer
Sascha Hörr Edelstahlhandel e.K.
HINWEIS: Beim anklicken dieses Videos werden Daten an YouTube übertragen. Weitere Infos finden Sie in unserer Datenschutzerklärung!

Varianten und Verpackungseinheiten

Versandkosten

Versandkosten

Versandkosten Klasse » L « siehe Versandkostentabelle
ALLE PREISANGABEN FÜR LIEFERUNGEN NACH DEUTSCHLAND! FÜR LÄNDERSPEZIFISCHE PREISE/MWST BITTE ANMELDEN/REGISTRIEREN

Produktbewertungen

Aktualisiert: 29.04.2026 11:33