Produktbeschreibung
Hier bieten wir in wählbaren Abmessungen und Ausführungen
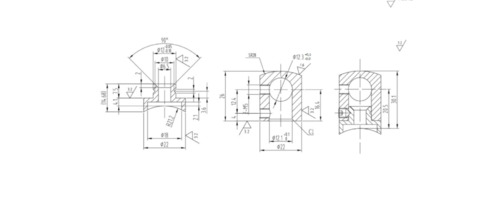
1 STÜCK Edelstahl V2A AISI304 Querstabhalter / Traversenhalter inklusive Senkkopf Befestigungsschraube
Hochwertig und passgenau, ideal zum Geländerbau geeignet .
Oberfläche drehblank passend zur Geländer + Handlauf Optik ideal als Geländerfüllung 
Abmessung:
A     =  20mm
DQ  =  22mm
DS   =  Füllungs Durchmesser ( nach Auswahl )
MS   = bis 6mm 
In der oberen Auswahlbox können Sie wählen:
- Ihre gewünschte Stückzahl
- den entsprechenden Rohranschluss von einem geraden Anschluss über Ø 33,7 bis hin zu Ø 48,3 mm
- die Bohrung im Querstabhalter für den zu haltenen Rundstab oder Rohr von Ø 10 mm bis Ø 14 mm
Weitere Stabhalter in verschiedensten Ausführungen, mit Sacklochbohrung oder als Verbinungs Traversenhalter, in anderen Verpackungseinheiten und Preisklassen finden Sie in unserem Shop.
Technische Daten und Produktspezifikationen
Alle Maßangaben in mm
				- Material
- Edelstahl
- Werkstoff
- 1.4301
- Außendurchmesser
- 22
- Innendurchmesser
- 12,2
- Höhe
- 30
- Oberfläche
- geschliffen
- Rohranschluss
- 42,4
- Mittelbohrung
- 12,2
- Gewindeart
- Metrisches ISO-Gewinde
Produktvideos und Montageanleitungen
 
						Video: Querstabhalter Anwendung und Funktion im Detail
								
									Sascha Hörr Edelstahlhandel e.K.
								
							 HINWEIS: Beim anklicken dieses Videos werden Daten an YouTube übertragen. Weitere Infos finden Sie in unserer Datenschutzerklärung!
					Varianten und Verpackungseinheiten
Versandkosten
Versandkosten
Versandkosten Klasse » L « siehe Versandkostentabelle ALLE PREISANGABEN FÜR LIEFERUNGEN NACH DEUTSCHLAND! FÜR LÄNDERSPEZIFISCHE PREISE/MWST BITTE ANMELDEN/REGISTRIEREN