Produktbeschreibung
Edelstahl V2A Querstabhalter Traversenhalter für 12 mm Vierkantrohr Vierkant Stahl
sehr massive und hochwertige Ausführung V2A
zum haltern von Vierkantrohr 12x12 oder Vierkant Stähle
mit geradem Anschluss für Vierkant und Flach - Pfosten
Korn 240 geschliffen
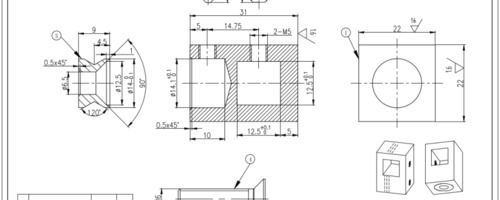
Gesamt Länge = 31 mm / Außenmaß = 22x22 mm / Vierkant Loch = 12,2 x 12,2 mm
Die Grundplatte des Halters hat ein M6 Innengewinde und kann sowohl auf ein M6 Gewindestift aufgeschraubt werden, oder auch mit M4 / M5 x 39mm Senkkopfschrauben verwendet werden. Diese Schrauben bitte sep. bestellen
Vierkantrohr 12x12 und Endkappen in unserem Shop erhältlich
Technische Daten und Produktspezifikationen
- Material
- Edelstahl
- Werkstoff
- 1.4301
- Rohranschluss
- gerade
- Abmessung
- 22x22
- Höhe
- 31
- Oberfläche
- geschliffen
- Mittelbohrung
- 10,2
Dokumente, Warnhinweise und Sicherheitsinformationen
 
												Technische Zeichnung
								Datenblatt/Dokument "Technische Zeichnung" zum Artikel Traversenhalter Querstabhalter für Vierkant Rohr 12x12 Edelstahl Vierkant
							
Produktvideos und Montageanleitungen
